Žaidimų kompleksas 3027
15370,00 €
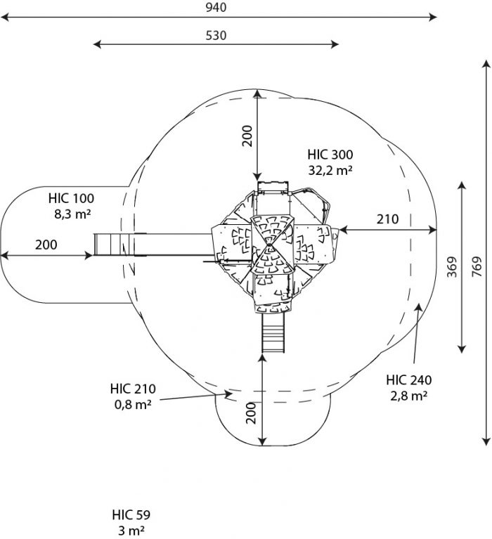
Saugos zona 44.4 m2
Ilgis 5,30 m
Plotis 3,69 m
Bendras aukštis 4,90 m
Laisvo kritimo aukštis 2,70 cm
4-14 metų amžius
Pagal EN standartus 1176
Aprašymas
• Nerūdijantis plienas arba cinkuotas ir milteliniu būdu dengtas plienas;
• Plokštės ir stogai yra pagaminti iš atmosferos sąlygomis atsparių HDPE arba HPL plokščių;
• Kvadratinė platforma yra pagaminta iš neslystančios ir vandeniui atsparios HPL plokštės;
• Stogai , šoninės plokštės, judantys elementai ir vėliavos pagamintos iš HDPE plokštės;
• Visi varžtai, padengti plastikiniais dangteliais;
• Labirintas iš patvarios, vandeniui atsparios HDPE plokštės ir skaidraus polikarbonato;
• Nerūdijančio plieno strypai ir kopėčios bei turėklai, čiuožykla iš nerūdijančio plieno su HDPE šoninėmis plokštėmis;
• Patvarūs laipiojimo akmenys pagaminti iš poliesterio dervos su mineraliniais užpildais;
• Nėra aštrių briaunų, kurie gali sukelti galvos, pirštų ar kitų kūno dalių užstrigimo pavojų.
